Skip to main content

CLWT-135T-MED

Item Number: 2131000146

5'' Ceiling Speaker 100V, 6W, IP55, for humid areas, fire dome, fused

  • MED approved
  • Ceiling loudspeaker intended for bathrooms and humid rooms
  • Watertight back box ensuring IP55 rating from all sides
  • Double cable glands for loop-in / loop-out connection
  • Thermal fuse
  • Ceramic terminals
  • Metal fire dome
MED EU Certification icon MED Certification
MER Certification logo-2 MER Certification

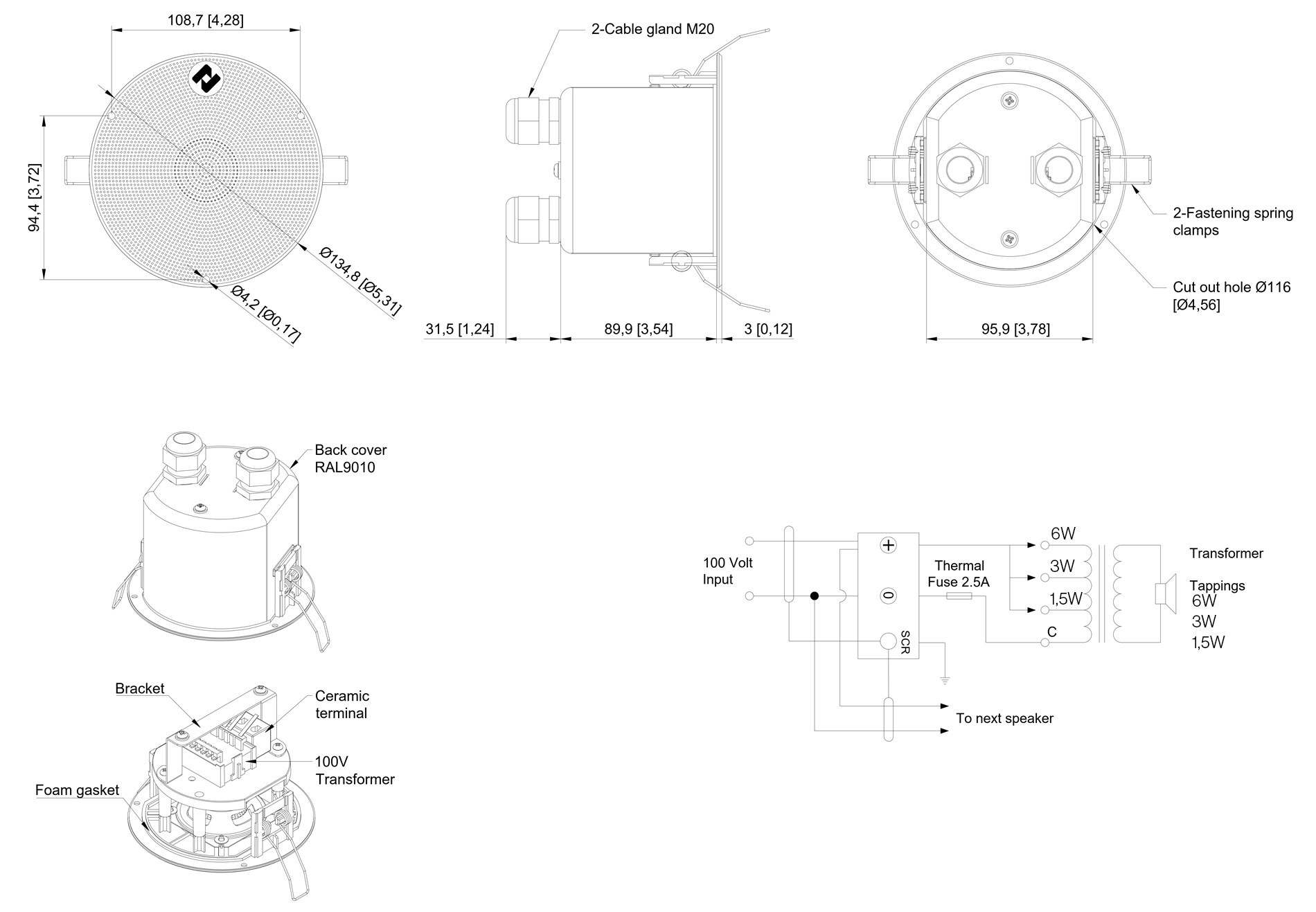
The Zenitel flush-mounted ceiling speaker CLWT-135T-MED is designed for demanding environments, offering IP55 water ingress protection and good audio quality. Its metal fire dome and versatile mounting options make it suitable for various settings. In vibrating environments, it can be secured using both spring fasteners and screw holes, while in non-vibrating environments, spring fasteners alone suffice. The speaker features adjustable power tapping to accommodate different room sizes and includes a thermal fuse, ceramic terminals, and a transformer for 100V lines.

One of the key features of the CLWT-135T-MED is its back box glands, which enhance the speaker's performance by providing additional protection against dust, humidity, and water. These glands also increase the stability of wire connections and support loop wiring with 2x M20 glands. This design not only improves the speaker's durability but also simplifies installation by reducing the need for costly junction boxes.

GENERAL
Dimensions (Diameter x Depth) Ø136 x D130 mm
Cut Out Dimension (Dia.) Ø116mm
Suspension / Mounting Spring Clamp
Operating temperature range -20℃ ~ + 70℃
Fuse Thermal fuse
Rated power 6W
Max power rating 9W
Power tappings 6W - 3W - 1.5W
Frequency response 200 Hz - 20 KHz
Sensitivity 88 dB ± 3dB, 1W/1M
Maximum SPL 96 dB
Speaker 2.5 “ Paper Cone With Cloth Surround (Moisture Resistant)
Connections Ceramic Terminal Block With thermal fuse
Baffle Material ABS ,UL94 Vo , White RAL 9010
Grille Material ABS ,UL94 Vo , White RAL 9010
Back Cover Metal / Steel, White RAL 9010
Glands 2x M-20 (10-14mm)
Weight 0, 78kg
Environmental Condition Protected
Compass Safe Distance 160 cm

Installation and operation:

  1. 1. Mount cable through cable gland and connect cable leads to 100V line in + - terminals
  2. 2. Select required loudspeaker tapping with red cable on the transformer
  3. 3. Fasten the back box onto front of loudspeaker
  4. 4. Fasten cable gland(s) and ensure the cable leads are not placing strain on the terminals
  5. 5. Place the loudspeaker in front of ceiling cut-out. Hold the fastening spring clamps aligned with back box and push loudspeaker into correct position. Make sure front grille is surface with ceiling for correct mounting. This loudspeaker can also be mounted with screws in front grille
  6. 6. Once installed the loudspeaker can be used

 

Maintenance:

  1. 1. No scheduled maintenance is required
  2. 2. For any kind of maintenance secure loudspeaker is not energized
  3. 3. Loudspeaker is equipped with fuse. If fuse broken pull out loudspeaker from ceiling and remove back box from front loudspeaker to access

 

Dimensional Drawing CLW-135T-MED
CLMQ-200T

CLMQ-200T

6'' Ceiling speaker, high sound quality, 100V, 6W

CL-135T

CL-135T

5" Miniature ceiling speaker, 100V, 6W

Date Name Category Size Document
MEDD00001WF - CERTIFICATE OF ASSESSMENT - MODULE D Certificate 168.68 KB Download
MD-SDoC-2131000146-IHM-8003-70767-209833 Declaration 53.83 KB Login to download
DNV MER-B - Zenitel CL Speakers - 2030.07.02 - MERB0001N2M Certificate 181.62 KB Download
DNV MED-B - Zenitel CL Speakers - 2030.07.02 - MEDB0000AWT Certificate 171.09 KB Download
2131000146 - CLWT-135T-MED - Dimensional Drawing CAD 2D 574.8 KB Login to download

SPL_CLWT-135T-FD