Skip to main content

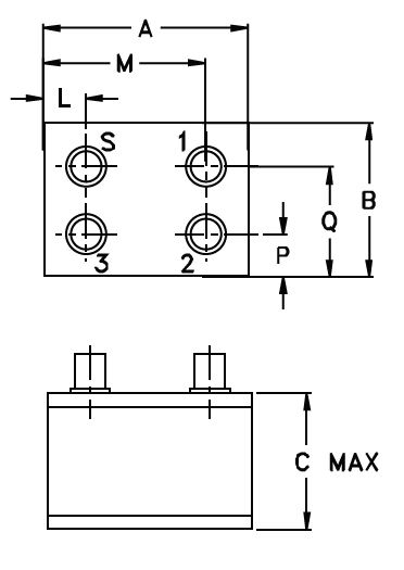
RF Signal Splitter/Combiner

Item Number: 1021010006

ZSC-3-1+

RF signal splitter/Combiner required when the FES system requires more than one antenna