Skip to main content

P-MT7-A

Item Number: 1020600776

Headset with boom mic, headband, and 10m cable

  • Headset for Analog Telephone and Talk-Back System
  • Excellent noise performance
  • High attenuating ear shells
  • Standard with 10 meter cable
IP66 40x40 ico IP54
Marine 40x40 ico Onboard communication

The P-MT7-A headset brings hearing protection and communication in noisy environments into a new level of performance with newly designed speakers and microphone.

The dual cup give a modern and slim look and is specially designed to provide excellent noice attenuation.

Applications

The P-MT7-A headset can enhance communication in noisy environments and other workplaces, where the workers need to be connected to their 2-way handheld or fixed systems throughout the day to help facilitate frequent contacts with co-workers.

General
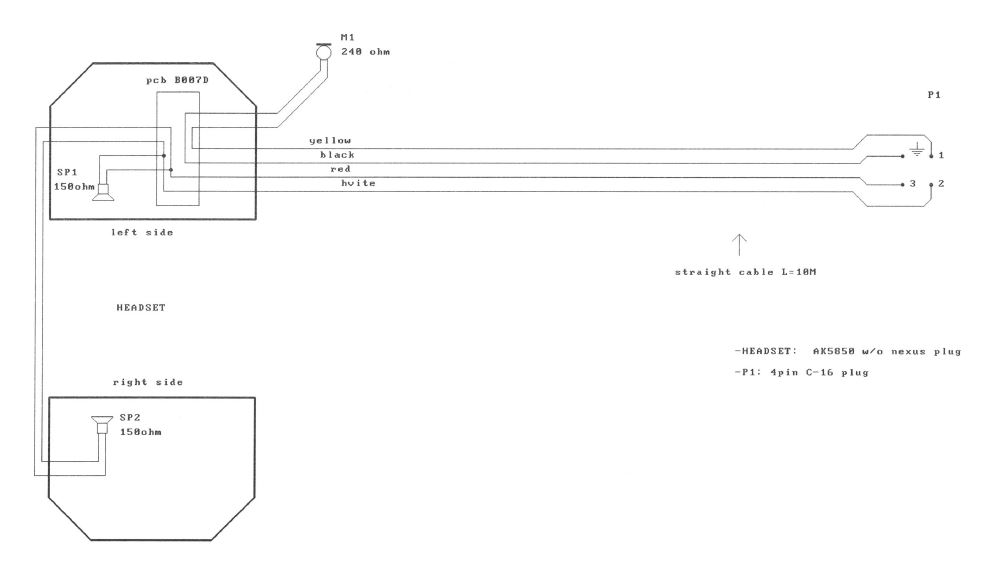
Termination Conxall, CXS3106A14S2P300, 4 pin
Microphone 20,5 mm. dynamic noise cancelling, 240 Ohm+- 30 %, sensitivity -57 dB+-3 dB, 0 dB=1v/pa at 1kHz, frequency response: 50Hz-6KHz.
Earphone/Speakers 27 mm. diameter, 150 Ohm+-15 %, Parallell connection, frequency response: 50Hz-10KHz.
Temperature -40 to +60 degrees C
Storage Humidity < 90%
Protection IP-54 (When worn)
Attenuation rating (HML) H=32 dB / M=28 dB / L=20
Attenuation rating (SNR) 30 dB
CE Certificate no. 12151RHS01
Dimension (HxD) Approximately 250 x 150 mm. (adjustable).
Weight 0.4 kg
Colour Black/Yellow
Manufacturer Zenitel (A-kabel)
Cable 10m

STB-3

STB-3

Comb. Call-Plugbox-Signalrelay

Date Name Category Size Document
MD-SDoC-1020600776-IHM-8003-63565-148829.xlsx Declaration 53.53 KB Login to download
DECLARATION OF CONFORMITY - A-kabel Headsets-2022.11.16 Declaration 100.99 KB Download
EU Type Examination Certificate CE_AK5850.pdf Certificate 1.69 MB Download